Rundbord HV-6
Kraftig og nøyaktig rundbord for horisontal og vertikal oppspenning.
Egenskaper
- Egnet for frese- og borearbeider på horisontale eller vertikale fresemaskiner, boremaskiner, etc.
- Bordet er laget av høykvalitets støping
- 2 klemspak for innspenning av bordet
- Overføringsforholdet mellom ormgirkasse 90: 1
- Karakterindeksering via skala trommel med justerbar nonius
- Direkte indeksering via 360 ° skala montert på bordet
Spesifikasjoner
|
Modell/Type
|
HV-6
|
|
Diameter bord
|
150 mm
|
|
Utveksling
|
90:1
|
|
MK i senter
|
MK2
|
|
Antall T-spor
|
4
|
|
Maks vekt horisontal
|
40 kg
|
|
Maks vekt vertikal
|
20 kg
|
|
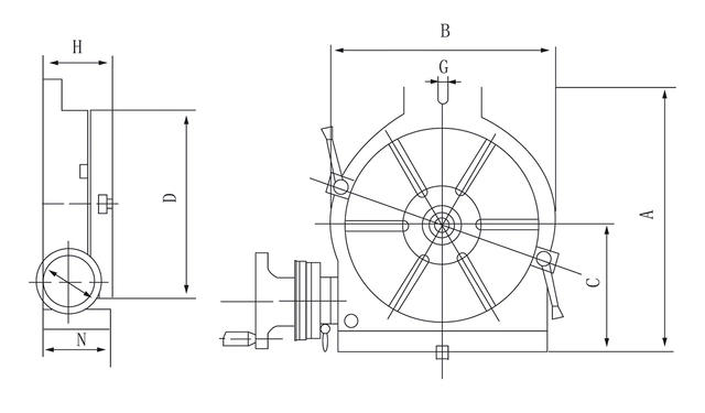
A
|
200 mm
|
|
B
|
160 mm
|
|
C
|
100 mm
|
|
D
|
150 mm
|
|
E
|
11 mm
|
|
G
|
17 mm
|
|
H
|
83 mm
|
|
N
|
78 mm
|
|
Vekt
|
14 kg
|
