BS-1 Deleapparat

Bernardo

Varenr: 101-1554
Lev. varenr: 27-1046
BS-1 Deleapparat Bernardo BS-1 Deleapparat Bernardo BS-1 Deleapparat Bernardo
Eks. mva9 280,-
Størrelse / Modell
-+
1 på lager
5+ på fjernlager - ca. 2-4 uker leveringstid

BS-0 / BS-1 Deleapparat fra Bernardo

 

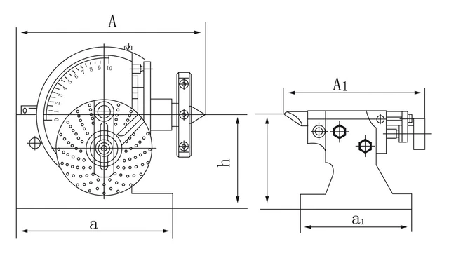
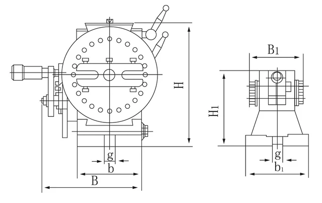
Dimensjoner: ( se bilde nr 2 og 3)

Dimensjon delehode Mål Dimensjon bakdokke Mål
EN 260 mm A1 183 mm
B 168 mm B1 87 mm
H 220 mm H1 137 mm
h 128 mm h1 128 mm
en 206 mm a1 158 mm
b 113 mm b1 110 mm
g 16 mm g1 16 mm

 

Egenskaper:

  • Spindel i presisjonskonisk lager
  • Snekke laget av kromnikkelstål, herdet og slipt
  • Fosforbronse snekkegir
  • Forhold ulåsbart for direkte deling (40:1)
  • Vippbar fra horisontal til vertikal (-10° til +90°)
  • Direkte divisjon med 24 pauser
  • Hver divisjon fra 2 til 50 og mange divisjoner fra 52 til 380 er mulige

 

Standard tilbehør:

  • Bakdokke
  • 2 skilleplater
  • Fast senter
  • Drivklemme
  • Flens
Forhold 40:1
Høyde 220 mm
Bredde med sentreringsspiss 260 mm
Lengde 285 mm
Senterspiss MK 3
Flens 165 mm
Vippbar 0° til 90°
Spindelboring 20 mm
T-sporstørrelse 16 mm
Direkte delingsskive (deling) 24 (15°)
Vekt ca. 30,5 kg