HV 16 Rundbord horisontalt & vertikalt

Bernardo

Varenr: 101-1040
Lev. varenr: 27-1005
HV 16 Rundbord horisontalt & vertikalt Bernardo HV 16 Rundbord horisontalt & vertikalt Bernardo
Eks. mva18 760,-
-+
Kontakt oss for leveringstid
Motta e-post når varen er på lager

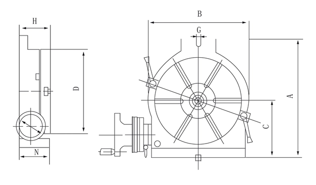
Rundbord HV-16

Egenskaper

  • Kan brukes til fresing og borearbeid på horisontale eller vertikale fresemaskiner, boremaskiner etc.
  • Bordplaten er laget av høykvalitets støping
  • 2 klemspak for innspenning av bordet
  • Overføringsforholdet mellom ormgirkasse 90: 1
  • Karakterindeksering via skala trommel med justerbar nonius
  • Direkte indeksering via 360 ° skala montert på bordet

Technical specifications

525 mm

B

450 mm

C

260 mm

D

400 mm

E

16 mm

G

18 mm

H

150 mm

N

145 mm

Vekt ca.

93 kg